Honda civic 4D странная вторичка

Помощь начинающим диагностам.

Honda civic 4D странная вторичка

Сообщение bosik777 » 13 май 2014, 19:45 | Cообщение: #1

Вот замерял на своём авто, сковырнул колпачки с катушек, подцепил LX4 и МПЦ на 1 цилиндр, на всех цилиндрах странный сигнал.
Свечи у меня плохие я знаю, что надо менять, машина на 1500-2500 об подергивается, как бы разгон в раскачку.
Изображение
Изображение
Могут ли давать такой сигнал плохие свечи?
bosik777
 
Сообщения: 31
Зарегистрирован: 10 май 2014, 18:41
Благодарил (а): 0 раз.
Поблагодарили: 0 раз.

Re: Honda civic 4D странная вторичка

Сообщение bosik777 » 14 май 2014, 07:20 | Cообщение: #2

Вот первичка
Изображение
Изображение

Первичка + вторичка, во всех цилиндрах одинаково
Изображение

Прокомментирует кто-нибудь, что за колебательный процесс при горении?
bosik777
 
Сообщения: 31
Зарегистрирован: 10 май 2014, 18:41
Благодарил (а): 0 раз.
Поблагодарили: 0 раз.

Re: Honda civic 4D странная вторичка

Сообщение КФЛ » 14 май 2014, 08:21 | Cообщение: #3

А что комментировать? Ни скринов ни файлов прибора...
Душа — Богу, сердце — женщине, долг — Отечеству, честь — никому!
Аватара пользователя
КФЛ
 
Сообщения: 3026
Зарегистрирован: 30 ноя 2012, 14:58
Откуда: Астрахань
Благодарил (а): 256 раз.
Поблагодарили: 362 раз.

Re: Honda civic 4D странная вторичка

Сообщение babai » 14 май 2014, 08:33 | Cообщение: #4

Похоже или датчик не тот или неисправен (обрыв\замыкание кондесатора в датчике)

А КФЛ мог бы так интуицией без файлов анамнез сделать ;) (ШУТКА без обид) :) ;)
Лужу, паяю ЭВМ .........
Аватара пользователя
babai
 
Сообщения: 341
Зарегистрирован: 09 янв 2010, 00:15
Откуда: Украина,Николаев
Благодарил (а): 128 раз.
Поблагодарили: 23 раз.

Re: Honda civic 4D странная вторичка

Сообщение bosik777 » 14 май 2014, 09:19 | Cообщение: #5

Вот файл(30 Мб), 20 секунд, холостые и немного погазовал...
https://drive.google.com/file/d/0B-y5z3RwdPj7ODhaTF9UNkdZQ0k/edit?usp=sharing

babai

Какой именно датчик нужно проверить?
bosik777
 
Сообщения: 31
Зарегистрирован: 10 май 2014, 18:41
Благодарил (а): 0 раз.
Поблагодарили: 0 раз.

Re: Honda civic 4D странная вторичка

Сообщение КФЛ » 14 май 2014, 19:11 | Cообщение: #6

А КФЛ мог бы так интуицией без файлов анамнез сделать

Если только на картах раскинуть...
Душа — Богу, сердце — женщине, долг — Отечеству, честь — никому!
Аватара пользователя
КФЛ
 
Сообщения: 3026
Зарегистрирован: 30 ноя 2012, 14:58
Откуда: Астрахань
Благодарил (а): 256 раз.
Поблагодарили: 362 раз.

Re: Honda civic 4D странная вторичка

Сообщение bosik777 » 15 май 2014, 17:56 | Cообщение: #7

КФЛ
Ну выложил и что?
Один гонор и флуд от вас и ноль полезной информации :ugeek:
bosik777
 
Сообщения: 31
Зарегистрирован: 10 май 2014, 18:41
Благодарил (а): 0 раз.
Поблагодарили: 0 раз.

Re: Honda civic 4D странная вторичка

Сообщение КФЛ » 15 май 2014, 21:08 | Cообщение: #8

bosik777 писал(а):КФЛ
Ну выложил и что?
Один гонор и флуд от вас и ноль полезной информации :ugeek:


Не понял. На чем основан наезд?
Душа — Богу, сердце — женщине, долг — Отечеству, честь — никому!
Аватара пользователя
КФЛ
 
Сообщения: 3026
Зарегистрирован: 30 ноя 2012, 14:58
Откуда: Астрахань
Благодарил (а): 256 раз.
Поблагодарили: 362 раз.

Re: Honda civic 4D странная вторичка

Сообщение bosik777 » 19 май 2014, 17:25 | Cообщение: #9

Похоже ли данная картина на пробитый диод в индивидуальной катушке или это отсутствие компенсационной емкости в индуктивных датчиках(датчики родные)? Ну комрады, включите мозг, помогайте.
Менял, свечи, ставил MAF с донора(так его осциллограмма не понравилась), 1500-2000 дерготня так и осталась.
bosik777
 
Сообщения: 31
Зарегистрирован: 10 май 2014, 18:41
Благодарил (а): 0 раз.
Поблагодарили: 0 раз.

Re: Honda civic 4D странная вторичка

Сообщение DEFO » 19 май 2014, 22:38 | Cообщение: #10

30 Мб - много(*вато).
С уважением Алексей.
Аватара пользователя
DEFO
 
Сообщения: 2322
Зарегистрирован: 16 апр 2009, 21:29
Откуда: Курская обл.
Благодарил (а): 288 раз.
Поблагодарили: 292 раз.

Re: Honda civic 4D странная вторичка

Сообщение КФЛ » 19 май 2014, 23:05 | Cообщение: #11

У меня картинки с первого поста только сейчас отобразились, а была просто надпись "изображение"...
Душа — Богу, сердце — женщине, долг — Отечеству, честь — никому!
Аватара пользователя
КФЛ
 
Сообщения: 3026
Зарегистрирован: 30 ноя 2012, 14:58
Откуда: Астрахань
Благодарил (а): 256 раз.
Поблагодарили: 362 раз.

Re: Honda civic 4D странная вторичка

Сообщение Igor1973 » 20 май 2014, 01:01 | Cообщение: #12

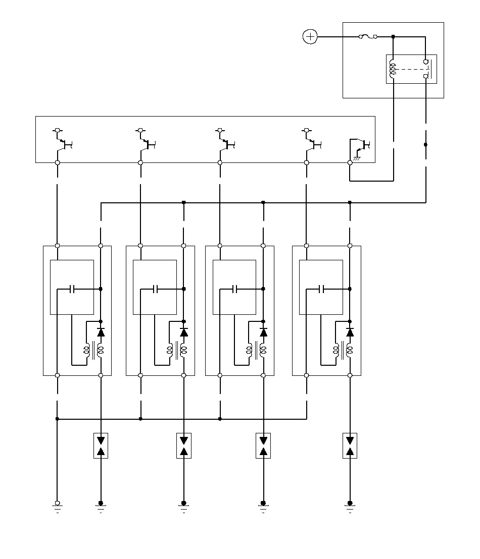
1. То, что Вы назвали первичкой, на самом деле ей не является.
2. О какой компенсационной емкости в индуктивном датчике Вы говорите?
Изображение
Аватара пользователя
Igor1973
 
Сообщения: 2959
Зарегистрирован: 05 дек 2009, 22:24
Откуда: Брест, Беларусь
Благодарил (а): 402 раз.
Поблагодарили: 447 раз.

Re: Honda civic 4D странная вторичка

Сообщение КФЛ » 20 май 2014, 08:29 | Cообщение: #13

Уважаемый bosik777 , давайте попробуем разобраться , но для этого необходимо:

1- Опишите исследуемое авто ( год выпуска авто, тип двигателя, проблему с двигателем и какую систему двигателя вы исследуете).
2- Какими датчиками Вы пользуетесь ( тульские или от Mlab)
3- Куда и каким образом Вы подключаете датчики.
4- сформулируйте четко вопрос, на который вы хотите получить ответ.
5- И , не менее важная деталь, избавьтесь от панибратского тона, тут Вам никто и ничего не должен.

Уверен, что после этого вы получите полные и исчерпывающие ответы на Ваши вопросы и соответствующие разьяснения, если Вам что либо будет непонятно.
С уважением.

P.S. Выкладывайте небольшие файлы осциллограмм , отснятые Вами , здесь. Если не знаете , как это сделать - скажите, Вам помогут.
Душа — Богу, сердце — женщине, долг — Отечеству, честь — никому!
Аватара пользователя
КФЛ
 
Сообщения: 3026
Зарегистрирован: 30 ноя 2012, 14:58
Откуда: Астрахань
Благодарил (а): 256 раз.
Поблагодарили: 362 раз.

Re: Honda civic 4D странная вторичка

Сообщение bosik777 » 20 май 2014, 15:52 | Cообщение: #14

1) Honda civic 8 4D, г.в. 2006, двигатель R18A1, рывки на оборотах 1000-2000, когда отпускаешь газ, либо нажимаешь на него.
2) Сигнал снят с индивидуальных катушек зажигания индукционными датчиками Mlab LX-4, синхронизация - МПЦ 1 цилиндр, датчик LX-1, так же Mlab.
3) Вопрос в следующем, что за колебательный процесс виден на осциллограмме при поджиге свечи, либо это так работает датчик, либо неполадки с МЗ либо еще что-то?
bosik777
 
Сообщения: 31
Зарегистрирован: 10 май 2014, 18:41
Благодарил (а): 0 раз.
Поблагодарили: 0 раз.

Re: Honda civic 4D странная вторичка

Сообщение шаман7 » 20 май 2014, 23:18 | Cообщение: #15

что за колебательный процесс виден на осциллограмме при поджиге свечи,
в смысле, в месте "время горения " ?
Аватара пользователя
шаман7
 
Сообщения: 2022
Зарегистрирован: 18 фев 2011, 01:14
Откуда: ростов-на-дону
Благодарил (а): 1 раз.
Поблагодарили: 16 раз.

Re: Honda civic 4D странная вторичка

Сообщение bosik777 » 21 май 2014, 16:16 | Cообщение: #16

Имеется ввиду пробой свечного зазора, должна быть прямая линия вверх, а тут видны колебания.
Да, первичка у меня выглядит так же, в виде колебаний, по схеме там установлен диод, разве он не должен сглаживать их :?
То, что, выше я назвал первичкой, это импульсы с ЭБУ.
Изображение
bosik777
 
Сообщения: 31
Зарегистрирован: 10 май 2014, 18:41
Благодарил (а): 0 раз.
Поблагодарили: 0 раз.

Re: Honda civic 4D странная вторичка

Сообщение КФЛ » 21 май 2014, 16:45 | Cообщение: #17

Трудно отвечать на Ваши вопросы :)
Диод в индивидуальной катушке не для сглаживания импульсов, его задача другая.
Не совсем понял, о каких колебаниях Вы спрашиваете. Колебания после импульса пробоя? То это особенность катушки и датчика, но и тут надо смотреть, если импульс напряжения пробоя идет вниз перед линией горения - это может быть грязная свеча... Колебания на линии горения - это срывы искры из-за турбулентности топливовоздушной смеси.
Душа — Богу, сердце — женщине, долг — Отечеству, честь — никому!
Аватара пользователя
КФЛ
 
Сообщения: 3026
Зарегистрирован: 30 ноя 2012, 14:58
Откуда: Астрахань
Благодарил (а): 256 раз.
Поблагодарили: 362 раз.

Re: Honda civic 4D странная вторичка

Сообщение slam1 » 21 май 2014, 17:44 | Cообщение: #18

bosik777 писал(а):1) Honda civic 8 4D, г.в. 2006, двигатель R18A1, рывки на оборотах 1000-2000, когда отпускаешь газ, либо нажимаешь на него.
2) Сигнал снят с индивидуальных катушек зажигания индукционными датчиками Mlab LX-4, синхронизация - МПЦ 1 цилиндр, датчик LX-1, так же Mlab.
3) Вопрос в следующем, что за колебательный процесс виден на осциллограмме при поджиге свечи, либо это так работает датчик, либо неполадки с МЗ либо еще что-то?

Для индивидуальных катушек эти колебания нормальны. У меня на индивидуальных такие-же. Вот еще ссылка, там в конце небольшой анализ таких сигналов
http://motorhelp.ru/76-diagnostika-sistemy-zazhiganiya.html
slam1
 
Сообщения: 60
Зарегистрирован: 29 апр 2014, 20:16
Откуда: Беларусь
Благодарил (а): 0 раз.
Поблагодарили: 0 раз.

Re: Honda civic 4D странная вторичка

Сообщение bosik777 » 21 май 2014, 18:49 | Cообщение: #19

slam1
Спасибо, всё ясно про индуктивный датчик и индивидуальные катушки.
При подключении шупом-иглой к первички, на индивидуальной катушке, у вас виден процесс горения свечи с последующими затухающими колебаниями или на первичке не должно это отражаться?
bosik777
 
Сообщения: 31
Зарегистрирован: 10 май 2014, 18:41
Благодарил (а): 0 раз.
Поблагодарили: 0 раз.

Re: Honda civic 4D странная вторичка

Сообщение КФЛ » 21 май 2014, 19:38 | Cообщение: #20

Если индивидуальная катушка со встроенным коммутатором - вы увидите только управляющий импульс прямоугольной формы. В таких катушках цепь управления и катушка развязаны между собой коммутатором и вы не увидите процессов происходящих в обмотке катушки. В этом случае искру можно посмотреть только индуктивным датчиком.
Душа — Богу, сердце — женщине, долг — Отечеству, честь — никому!
Аватара пользователя
КФЛ
 
Сообщения: 3026
Зарегистрирован: 30 ноя 2012, 14:58
Откуда: Астрахань
Благодарил (а): 256 раз.
Поблагодарили: 362 раз.

След.

Вернуться в Помощь начинающим

Кто сейчас на конференции

Сейчас этот форум просматривают: нет зарегистрированных пользователей и гости: 2